Высоковольтный маломасляный выключатель ВМТ-220Б-25/1250 УХЛ1

Высоковольтный маломасляный выключатель ВМТ-220Б-25/1250 УХЛ1
Цена за шт:
1070000 руб.


Описание и технические характеристики

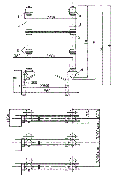
Выключатели маломасляные серии ВМТ предназначены для коммутации электрических цепей при нормальных и аварийных режимах, а также для работы при АПВ в сетях трёхфазного переменного тока частоты 50 и 60 Гц с номинальным напряжением 110 и 220 кВ.
Выключатели соответствуют требованиям ТУ16-674.047-87 и ГОСТ 687-78.
Серия ВМТ включает в себя следующие типоисполнения выключателей: ВМТ-110Б-25/1250 УХЛ1; ВМТ-220Б-25/1250 УХЛ1;
ВМТ-110Б-25/1000 Т1;ВМТ-220В-25/1000 Т1;
ВМТ-110Б-40/2000 УХЛ1; ВМТ-220-40/2000 УХЛ1; ВМТ-110Б-40/1600 Т1;ВМТ-220Б-40/1600 Т1.
Выключатели управляются унифицированными пружинными приводами типа ППрК-1400 (на ток отключения 25 кА) и ППрК-1800 (на ток отключения 40кА).
Выключатели обладают следующими достоинствами: простотой и надёжностью конструкции; малыми массой и габаритами, что позволяет устанавливать выключатель на облегченных фундаментах; высокой заводской готовностью, что позволяет производить простой и быстрый монтаж; лёгким доступам к контролируемым элементов механизмов, к контактам и камерам и минимальный объём работ при их замене; автономностью, обусловленной применением пружинного привода, - не требуется мощный источник питания, при отсутствии электропитания привод для первого включения может быть подготовлен вручную; высоким механическим ресурсом; высокой коммутационной износостойкостью, стабильными коммутационными характеристиками во всём диапазоне отключаемых токов, отключают токи ненагруженных и одиночных конденсаторных батарей с глухозаземлённой нейтралью без повторных пробоев; малым временем включения и отключения; возможностью эксплуатации в различных климатических зонах, в том числе в районах Крайнего Севера, с обычным трансформаторным маслом марки ТКп по ГОСТ 10121-76; возможностью питания электромагнитов управления от источников выпрямленного тока.

 Бренд: УЭТМ 

Здесь можно купить Высоковольтный маломасляный выключатель ВМТ-220Б-25/1250 УХЛ1 в г. Екатеринбург по цене 1070000 руб. за шт
На Энергопортал.ру представлена 621 позиция выключателей высоковольтных. Выберите лучшее предложение в нашем каталоге!

Цена действительна до 23.09.2011 г., после чего стоимость необходимо уточнить у поставщика.




ЗАО "ЭнергоГлавСтрой"

  • Денис Сергеевич Окишев
  • Екатеринбург
  • 620017, Россия, г. Екатеринбург, ул. Фронтовых бригад, дом 15,строение 4А, офис 48
© ООО "ИнтерМедиа" Полная версия